Подшипниковый узел WP-SSBFL 204 - Вал: 20 мм 20 LPZ
Внимание: для уточнения актуальной цены, наличия и условий поставки рекомендуем обратиться к менеджеру отдела продаж. Отгрузка отдельных позиций может занимать от 2 рабочих дней, так как товары находятся на разных складах на территории РФ.
- Технические характеристики и другая информация предоставляются для справки.
- Чертежи и изображения представлены для ознакомления
Условия заказа и доставки
- Продажи осуществляются только юридическим лицам
- Доставка в Самаре выполняется через ТК: СДЭК, Деловые Линии, Возовоз, Энергия
- Для небольших подшипников действует минимальная партия
- Счета выставляются от 5000 руб.
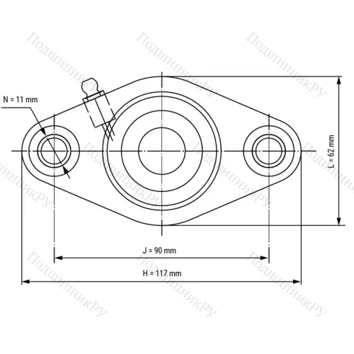
Подшипниковые узлы WP-SSBFL204 представляют собой элемент конструкции, который объединяет подшипник и корпус подшипника . Эти детали используются с целью создания опоры для вращающихся валов и фиксируются на рабочей поверхности при помощи болтов. Основные характеристики изделия: внутренний диаметр 20 мм, допуск на внутренний диаметр 0,018/0 мм, вес 0.09 кг.
- Состоит из вкладыша подшипника из нержавеющей стали и пластикового (термопластового) корпуса.
- конструкция фланцевого подшипника с двумя отверстиями позволяет устанавливать его в широком диапазоне применений
- корпус изготовлен из пластика, легкий, гигиеничный, устойчивый к коррозии, демпфирующий, немагнитный и водонепроницаемый
- вкладыш подшипника из нержавеющей стали также устойчив к коррозии и имеет расширенное внутреннее кольцо с резьбовыми штифтами
- Фланцевый подшипник крепится к валу двумя установочными винтами
- плавный ход и хорошее поведение при опрокидывании благодаря расширенному внутреннему кольцу
- Статические смещения можно компенсировать до угла ±2,5°.
- Оснащен водонепроницаемым резиновым уплотнением типа BASL с тыльной стороны, которое надежно герметизирует вал. Боевая пружина обеспечивает дополнительное давление кромки на вал.
- смазка на весь срок службы: повторное смазывание не требуется при нормальных условиях эксплуатации
- со встроенным смазочным ниппелем для удобного повторного смазывания вкладыша подшипника, если требуется повторное смазывание в сложных условиях эксплуатации
- Добавление водонепроницаемого защитного колпачка надежно защищает подшипник от воздействий окружающей среды, таких как пыль, грязь или водяные брызги.
- Идеально подходит для применения во влажных условиях, при контакте с водой, щелочными или кислотными растворами.
- Применение в различных отраслях промышленности, например, обработка кормов, консервирование, розлив, фармацевтическая промышленность, химическая обработка, фотоиндустрия
|
Производитель
|
LPZ |
|
Внутренний диаметр d
|
20 |
|
Размер
|
20 |
|
Вес, кг
|
0.09 |
|
SKU
|
WP-SSBFL204 |
Кроссы подшипников
Поставка Подшипниковый узел WP-SSBFL 204 - Вал: 20 мм 20 LPZ и других подшипников и комплектующих осуществляется для юридических лиц по безналичному расчету. Счета выставляются от 5000 руб. Для части малогабаритных подшипников действует минимальная партия заказа.
Вы можете оформить заказ через корзину сайта или отправить заявку в отдел продаж. После получения заявки менеджер проверит наличие, уточнит стоимость, сроки поставки и подготовит счет. Если требуется помощь с подбором подшипников, аналогов или уточнение технических параметров, менеджеры помогут подобрать подходящее решение.
Отправка заказов по России осуществляется транспортными компаниями:
- СДЭК
- Деловые Линии
- Возовоз
- Энергия
Менеджер согласует сроки отгрузки, стоимость доставки и передачу груза в транспортную компанию.
В связи с наличием нескольких складов срок отгрузки некоторых позиций может составлять от 2 рабочих дней.
Оплата производится по безналичному расчету на основании выставленного счета. Резервирование товара осуществляется после согласования заказа с менеджером отдела продаж.
Отправить запрос на подбор аналога
Гарантийные обязательства подтверждаются документами производителя и действуют при соблюдении условий хранения, монтажа и эксплуатации.
Что покрывает гарантия
Гарантия распространяется на заводские дефекты материалов и изготовления, несоответствие заявленным техническим характеристикам, а также поставку некомплектного изделия согласно спецификации. Факт дефекта подтверждается актом или заключением производителя либо сервисного центра. Срок гарантии определяется паспортом или каталогом производителя и составляет, как правило, до 12 месяцев с даты приёмки товара по УПД/накладной. По отдельным позициям срок может отличаться - уточняйте у менеджера при оформлении заказа.
Гарантия не распространяется на:
- механические и электрические повреждения, следы ударов и коррозии;
- нарушение условий хранения, монтажа, смазки или эксплуатации;
- следы вскрытия или вмешательства, установку нестандартных запчастей;
- повреждения из-за внешних факторов и форс-мажора.
Как обратиться по гарантии
Направьте письмо на info@podshipnikru.com с темой "Гарантия", укажите номер УПД/счёта, опишите дефект и приложите фото или видео. При необходимости изделие направляется на диагностику. Срок рассмотрения заявки - до 10 рабочих дней с момента получения полного пакета документов. По итогам принимается решение о ремонте, замене или возврате средств.
Возврат товара
Возврат товара надлежащего качества возможен по соглашению сторон при условии, что товар не был в эксплуатации, сохранены товарный вид, пломбы и комплектность. Возврат или обмен необходимо согласовать с менеджером до отправки. Доставка товара до нашего склада при возврате в Самаре осуществляется за счёт покупателя - стоимость транспортных расходов не компенсируется. Возвращается стоимость товара согласно документам поставки.




