- Технические характеристики и другая информация предоставляются для справки.
- Чертежи и изображения представлены для ознакомления
Подшипник шариковый закрепляемый GE 80-KRR-B
Подшипник шариковый закрепляемый GE80-KRR-B его строение включает в себя наружную шину, тела качения, сепаратор из штампованной стали, латуни или полиамида, центрирующийся по шарикам либо бортикам внешнего кольца. Устройство является неразборным и полностью готово к монтажу. Существуют также обслуживаемые и необслуживаемые варианты (в первом случае в корпусе детали имеется специальное смазочное отверстие, через которое происходит подача смазки, расходуемой в процессе работы). Закрытые модели дополнительно усилены уплотняющими шайбами или уплотнениями и не требуют обслуживания. В изделии также могут присутствовать узкие, широкие и средние зазоры.
Каковы характерные особенности Подшипник шариковый закрепляемый GE80-KRR-B?
- Рассчитан на восприятие серьезных аксиальных и незначительных осевых нагрузок.
- Обладает низким коэффициентом трения, за счет чего возможно вращение на максимально допустимых скоростях и более длительный срок эксплуатации в сравнении с аналогами.
- Отличается высокой грузоподъемностью и склонностью к самоцентрированию, что дает возможность выравнивать перекосы во время монтажа.
Приобретайте выгодно Подшипник шариковый закрепляемый GE80-KRR-B ГОСТ или его (аналоги ISO), а также иную продукцию от мировых промышленных брендов FAG, KOYO, NSK, SKF, SNR на нашем веб-сайте!
Технические характеристики
Обозначение : GE80-KRR-B
Размеры, мм : 80x140x70.7
Производитель : INA
Диаметр внутренний, мм : 80
Диаметр наружный, мм : 140
Высота, мм : 70,7
Технические данные из каталога производителя :
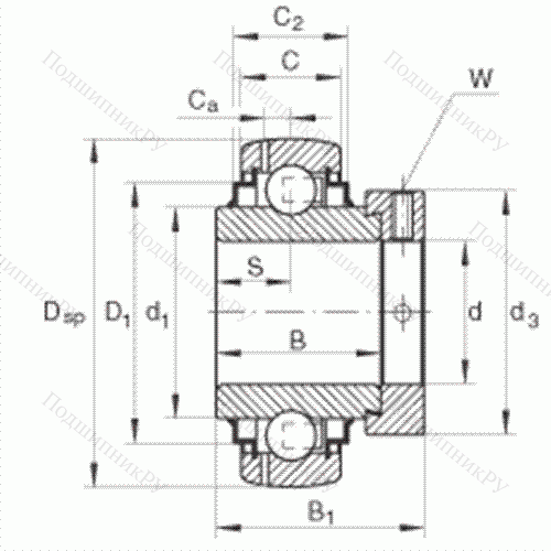
d - 80 mm
DSP - 140 mm
B1 - 70,7 mm
B - 53,2 mm
C - 30 mm
C2 - 38 mm
Ca - 8,8 mm
D1 - 120 mm
d1 - 97 mm
d3 max - 108 mm
S - 23,4 mm
W - 6 mm
m - 2,79 kg / Вес
Cr - 76000 N / динамическая грузоподъемность, радиальная
C0r - 54000 N / статическая грузоподъемность, радиальная
- 6216 / Референсные подшипники для определения эквивалентных нагрузок.
сферическое наружное кольцо, фиксация эксцентриковым закрепительным кольцом, двусторонние R-уплотнения
| 
																Производитель
															 | INA | 
| 
																Ширина B
															 | 70 | 
| 
																Внешний диаметр D
															 | 140 | 
| 
																Внутренний диаметр d
															 | 80 | 
| 
																Размер
															 | 80x140x70 | 
| 
																Вес, кг
															 | 2.79 | 
| 
																Модель
															 | GE80-KRR-B-INA | 
| 
																SKU
															 | GE80-KRR-B-INA | 
Похожие по размеру
Оформить заказ на нашем сайте легко. Просто добавьте выбранные товары в корзину, а затем перейдите на страницу Корзина, проверьте правильность заказанных позиций и нажмите кнопку «Оформить заказ» или «Быстрый заказ».
Функция «Быстрый заказ» позволяет покупателю не проходить всю процедуру оформления заказа самостоятельно. Вы заполняете форму, и через короткое время вам перезвонит менеджер магазина. Он уточнит все условия заказа, ответит на вопросы, касающиеся качества товара, его особенностей. А также подскажет о вариантах оплаты и доставки.
По результатам звонка, пользователь либо, получив уточнения, самостоятельно оформляет заказ, укомплектовав его необходимыми позициями, либо соглашается на оформление в том виде, в котором есть сейчас. Получает подтверждение на почту или на мобильный телефон и ждёт доставки.
Если вы уверены в выборе, то можете самостоятельно оформить заказ, заполнив по этапам всю форму.
Выберите из списка название вашего региона и населённого пункта. Если вы не нашли свой населённый пункт в списке, выберите значение «Другое местоположение» и впишите название своего населённого пункта в графу «Город». Введите правильный индекс.
	 В зависимости от места жительства вам предложат варианты доставки. Выберите любой удобный способ. 
	
	Оплата
Выберите оптимальный способ оплаты.
Введите данные о себе: ФИО, адрес доставки, номер телефона. В поле «Комментарии к заказу» введите сведения, которые могут пригодиться курьеру, например: подъезды в доме считаются справа налево.
Проверьте правильность ввода информации: позиции заказа, выбор местоположения, данные о покупателе. Нажмите кнопку «Оформить заказ».
Наш сервис запоминает данные о пользователе, информацию о заказе и в следующий раз предложит вам повторить к вводу данные предыдущего заказа. Если условия вам не подходят, выбирайте другие варианты.

 
                                            
                                        